Books by Anne Nørgård Jørgensen

Nørgård Jørgensen, A. & J. Pind (eds.) 2001: Før landskabets erindring slukkes – Status og fremtid for dansk arkæologi. Rapport fra arkæologikonference på Nationalmuseet 22.-23. marts 2000. Udgivet af Rigsantikvaren & Det Arkæologiske Nævn. København. 2001., 2001
This book covers the Conference: Før landskabets erindring slukkes – Status og fremtid for dansk ... more This book covers the Conference: Før landskabets erindring slukkes – Status og fremtid for dansk arkæologi. (“Before the memory of the landscape is extinguished. The status and future of Danish archeology). It is a presentation of the challenges that Danish archeology faced in the time leading up to the amendment of the Museums Act of 2001 and ratification of the Malta Convention. The conference took place 22-23. March 2000 at the National Museum in Copenhagen. It was headed by Director of the National Museum and Head of the National Heritage Board Steen Hvass. The archaeological museums in Denmark participated in the conference (at that time c. 50). In addition, the Minister of Culture Elsebeth Gerner Nielsen (R), the press, stakeholders from business and agriculture, as well as foreign partners and others participated. The book includes articles by 16 authors. The main topic was “Archeology and Agriculture” - about the alarming erosion of archaeological sites in cultivated landscapes (still here in 2021 a huge problem and much has already been lost. These articles are still relevant!). In addition, “Financing of archaeological investigations”, “Urban archeological issues” etc. The undersigned was responsible for organizing and publishing the conference, the latter in collaboration with John Pind. Overall organizer was: The Archaeological Secretariat of the National Heritage Board at the National Museum (2000), in 2001 denoted: The Agency for Cultural Heritage, Prehistoric monuments, today denoted: The Agency for Culture & Palaces, Center for Cultural heritage (2021). The book is 138 pages long and is only available in Danish.

Nørgård Jørgensen, A. 1997 (Ed.): Introduction. In Military Aspects of Scandinavian Society, in a European Perspective A.D. 1-1300. International Research Seminar at The Danish National Museum, Copenhagen 2-4 May 1996, Eds. A. Nørgård Jørgensen & B. Clausen. PNM vol.2. Copenhagen 1997., 1997
The "Military Aspects" - symposium took place 2.-4. May 1996 at the National Museum, Cph. Militar... more The "Military Aspects" - symposium took place 2.-4. May 1996 at the National Museum, Cph. Military organization was for the first time the subject of a large-scale international scholarly gathering in Scandinavia. Together with topics such as trade and religion, military organization forms one of the cornerstones in the formation process of the state. It is therefore of vital importance for our understanding of prehistoric and historic societies that we in a broad European perspective discuss the change from military organization on tribal basis to a pre-state army in the light of both written sources and archaeological material. In the publication Military Aspects of Scandinavian Society, in a European Perspective A.D. 1-1300 this complex is treated in 26 articles by archaeologists and historians from USA, England, Germany, Norway, Sweden and Denmark. Ideas, organization and publication of the author, in collaboration with Dr. Phil. Niels Lund, University of CPH., Dir. Dr. Johan Engström, The Royal Army Museum, Stockholm, Curator Svend Erik Albrethsen, The National Museum, CPH. and Prof. Dr. Phil. Ole Crumlin-Pedersen, head of the Centre for Maritime Archeology, Roskilde. The author was at that time senior researcher associated with Crumlin-Petersen`s Centre for Maritime Archeology (1993-1996) with the research project: Sea defense in Denmark 200-1300 AD.

Jørgensen, L. and A. Nørgård Jørgensen 1997: Nørre Sandegård Vest. A Cemetery from the 6th - 8th Centuries on Bornholm. With contribution by Ulla Mannering and Claus Malmros. Nordiske Fortidsminder Bind 14. København 1997. (243 pages)., 1997
The monograph Nørre Sandegård Vest includes one of the rare cemeteries of Late Iron Age in Denmar... more The monograph Nørre Sandegård Vest includes one of the rare cemeteries of Late Iron Age in Denmark excavated in recent times (1987). It contains 59 male and female graves with distinguished equipment in the form of weapons and jewelry from the period c. 500 to 800 AD. The equipment gives an extraordinary picture of the wealthy population of the time especially in the second half of the 500s and the beginning of the 600s. Late Iron Age cemeteries are rare in Denmark, while Øster Herred on Bornholm paradoxically contains more than 300 burial finds from this period. The majority of the graves were excavated in1866 to 1901 by district administrator Emil Vedel and teacher Johan Andreas Jørgensen, and published by Vedel in 1886 and 1897. The archaeological material on partly Nørre Sandegård Vest and partly from Øster Herred are here treated in relation to Scandinavian and continental chronology systems in time and space, the female graves handled by Lars Jørgensen and the male graves by Anne Nørgård Jørgensen, textiles handled by Ulla Mannering and organic material by Claus Malmros. The book is in English with Danish summary, 244 pages, 149 text illustrations - mostly by the two main authors, and 52 pages with objects from the cemetery shown in closed contexts. Drawing of the female equipment and associated watercolors of glass beads made by Poul Christensen, male equipment drawn by John Pind and the main authors..

Nørgård Jørgensen, A. 1999b: Waffen und Gräber. Typologische und chronologische Studien zu skandinavischen Waffengräbern 520/30 bis 900 n. Chr. Nordiske Fortidsminder 17. København. (417 pages)., 1999
The monograph Waffen und Gräber deals with Scandinavian weapons and weapon burials from the perio... more The monograph Waffen und Gräber deals with Scandinavian weapons and weapon burials from the period 520 / 30-900 AD. The book presents the primary collection of 338 graves; 100 graves from the island of Bornholm, as well as few graves or objects from the rest of Denmark; 122 graves from Gotland; and 116 graves from southern and central Norway. A necessary typological system was established and treated chronologically in relation to the continental chronology systems in time and space (and Vendel and Valsgärde graves from Central Sweden). The monograph includes a review of the military organization in the Late Iron age in Soutern Scandinavia (Vendel Period/Merovingian Period). Language: German translation by Dr. Egon Wamers, Danish summery, 417 pages, 139 text illustrations predominantly illustrated by the author and 141 pages of objects illustrations in closed contexts, drawn by the author and Alice Lundgren. The monograph is a result of the author's Ph.D. processing (University of Copenhagen 1994). The material was collected in 1989-1991 in Oslo, Bergen, Trondheim, Stavanger, Stockholm, Visby, Rønne and Copenhagen. Studies of parallel material in Lithuania, Poland, Germany, England among others.
Papers by Anne Nørgård Jørgensen

Papers from The Centre for Baltic and Scandinavian Archaeology, Schleswig, 2011
This paper briefly discusses various aspects of the Gudhjem area on the Baltic island of Bornholm... more This paper briefly discusses various aspects of the Gudhjem area on the Baltic island of Bornholm during the first millennium AD: the landscape, urbanization, administrative subdivisions, roads, ports, rural settlements and cemeteries. The whole area is of great archaeological interest with many 'recognized archaeological sites' and 'cultural heritage areas of national importance'. The paper lays emphasis on the coastal area around Gudhjem, which includes the classical Iron Age and Viking Age cemeteries along the coastal road from Salene Bugt, 0.5 km north of Gudhjem, to Saltuna, 6 km south of Gudhjem. This ancient coastal road from Gudhjem to Svaneke (Sorte Muld) is, figuratively speaking, the 'Via Appia' of Bornholm. The Via Appia is, of course, the most famous road in the Roman Empire, along which countless graves of wealthy families are located. The coastal area near Gudhjem is probably the best preserved ancient burial area in Denmark. The road leads directly to the large Iron Age settlement of Sorte Muld, a trade, production and religious centre near the town of Svaneke, 14 km to the southeast of Gudhjem. The hinterland of Gudhjem is also rich in Iron Age and Viking settlements, and the Christian landscape with its churches, chapels and religious place names is equally special. The Gudhjem area seems to have been important in both prehistoric and historical times-as a centre of administrative and religious power during the Germanic Iron Age, the Viking Age and the medieval period. It was indeed a picturesque and wealthy area-truly 'a home of the gods'. Gudhjem was a very interesting area throughout prehistoric and early historical times. I have called this paper 'The road to Gudhjem-the "Via Appia" of Bornholm' because of the remarkable concentration of ancient monuments, especially cemeteries and opulent burials, aligned like pearls on a string along the ancient coastal road near Gudhjem.

Papers presented at a workshop organized by the Centre for Baltic and Scandinavian Archaeology, 2011
This paper briefly discusses various aspects of the Gudhjem area on the Baltic island of Bornholm... more This paper briefly discusses various aspects of the Gudhjem area on the Baltic island of Bornholm during the first millennium AD: the landscape, urbanization, administrative subdivisions, roads, ports, rural settlements and cemeteries. The whole area is of great archaeological interest with many 'recognized archaeological sites' and 'cultural heritage areas of national importance'. The paper lays emphasis on the coastal area around Gudhjem, which includes the classical Iron Age and Viking Age cemeteries along the coastal road from Salene Bugt, 0.5 km north of Gudhjem, to Saltuna, 6 km south of Gudhjem. This ancient coastal road from Gudhjem to Svaneke (Sorte Muld) is, figuratively speaking, the 'Via Appia' of Bornholm. The Via Appia is, of course, the most famous road in the Roman Empire, along which countless graves of wealthy families are located. The coastal area near Gudhjem is probably the best preserved ancient burial area in Denmark. The road leads directly to the large Iron Age settlement of Sorte Muld, a trade, production and religious centre near the town of Svaneke, 14 km to the southeast of Gudhjem. The hinterland of Gudhjem is also rich in Iron Age and Viking settlements, and the Christian landscape with its churches, chapels and religious place names is equally special. The Gudhjem area seems to have been important in both prehistoric and historical times-as a centre of administrative and religious power during the Germanic Iron Age, the Viking Age and the medieval period. It was indeed a picturesque and wealthy area-truly 'a home of the gods'. Gudhjem was a very interesting area throughout prehistoric and early historical times. I have called this paper 'The road to Gudhjem-the "Via Appia" of Bornholm' because of the remarkable concentration of ancient monuments, especially cemeteries and opulent burials, aligned like pearls on a string along the ancient coastal road near Gudhjem.
The Martial Society : Aspects of warriors, fortifications and social change in Scandinavia
Nørre Sandegård Vest:a cemetery from the 6th-8th centuries on Bornholm

Power and Place in Europe in the Early Middle Ages, 2019
In the 6th and 7th centuries, large elite residences were established in Scandinavia. They differ... more In the 6th and 7th centuries, large elite residences were established in Scandinavia. They differ from the earlier chieftain residences in size and apparent multi-functionality with respect to politics, religion, law and trade. Classic sites include Old Lejre and Tissø in Denmark, and Old Uppsala in Sweden. The growing dominions of the emerging petty-kings at this time presuppose control and cohesion in society, which is evidenced, among other things, by regular assemblies in which the population participated. Some of the larger accumulations of pit houses are here interpreted as assembly sites. Support for this interpretation is sought through analogy with church towns from the medieval and renaissance periods in northern Scandinavia. The pit house is thus interpreted as temporary accommodation for families or persons participating in different kinds of assemblies. Large assemblies emerged in the 6th century probably as a result of the elite’s increasing demand for control and comm...
Nørre Sandegård Vest: a Cemetery from the 6th-8th Centuries on Bornholm

Nørgård Jørgensen, A. 2002a: Naval Bases in Southern Scandinavia from the 7th to the 12th Cent. In Maritime Warfare in Northern Europe, 500 BC-1500 AD. Eds. A. N. Jørgensen, J. Pind, L. Jørgensen & B. Clausen. PNM Publications from the National Museum Vol. 6. Copenhagen 2002. (125-152)., 2002
Article about potential naval assembly sites in Denmark in the Late Iron Age, Viking Age and earl... more Article about potential naval assembly sites in Denmark in the Late Iron Age, Viking Age and early Middle Ages - including a catalog for the sites with defense installations in the current natural harbors. A comparison is made with the current place names mentioned in connection with fleet assemblies and fleet actions in the SAXO Grammaticus text, which covers the same time horizon. A historical analysis is made of the time when the place names and fleet actions are mentioned for the first time in SAXO, compared with the current datings of defense installations near the same place names. It is remarkable but not surprising that the archaeological datings connected to known place names is older than the historical mentions. The fleet is in full action already in the Late Iron Age exactly as SAXO otherwise mentions it. The archaeological and cultural-historical work has been carried out during and after the author's project on "Sea Defense in Denmark 200-1200 AD", at the Center for Maritime Archeology, Roskilde. In connection with the project, the author organized two international conferences. 1) “Military Aspects....” 1996 (see no. 22 and 24) and 2) the present conference: Maritime Warfare in Northern Europe, Technology, organization, logistics and administration 500 BC-1500 AD, at The Danish National Museum, Copenhagen 3-5 May 2000 - see No. 41 and 42. Aoife Daly's dendrochronological analysis of the defense installations is also attached here.

Nørgård Jørgensen, A. 2001b: The Martial Society? In Kingdoms and Regionality, Transactions from the 49th Sachsensymposium 1998 in Uppsala. Theses and Papers in Archaeology B: 6, Stockholm University. Ed. Birgit. Arrhenius. Stockholm 2001. (103-113)., 2001
This paper is a discussion of the theories proposed for the militarized society (det militarisere... more This paper is a discussion of the theories proposed for the militarized society (det militariserede samfund) and the martial state (krigsstat) (James 1996 and Højrup1995), which are two of the concepts that influence the societal debate and the view of history in the Early European Middle Ages c. 450 / 500 AD and onwards (Late Iron Age (DK), Vendel Period (S), Merovingian Period (the Continent)). The article argues for the level of the “new” military organization (6th cent. AD), the need for legislation and obligations, the level of administrative and regional standards, the level of technology and network of supra regional contacts. The article stems from the project "War, Defense and Aristocracy - factors behind the development of European societies in prehistoric and historical times 1-1300 AD" at the National Museum, supported by The National Research Council for Humanities in Denmark. The article is part of the theoretical basis for the author's general work on weapons and military organization in the 1st millennium AD. The article can be found in a report from the 49th Saxon Symposium in Uppsala 1998, led by Prof. Dr. Birgit Arrhenius. The publication includes 15 articles on the topics "Kingdom and Regionality" published in Stockholm 2001.

Nørgård Jørgensen, A. 2001a: Sea defence in the Roman Iron Age. In Military Aspects of the Aristocracy in Barbaricum in the Roman and Early Migration Periods. PNM Publications from the National Museum. Studies in Archaeology & History, Vol. 5. Ed. B. Storgaard. Copenhagen 2001 (67-82)., 2001
This article deals with Sea defense (wooden constructions/barriers) in the Roman Iron Age and inc... more This article deals with Sea defense (wooden constructions/barriers) in the Roman Iron Age and includes catalogs of the current dated archaeological sites in Denmark. These are: Æ lei and Margrethe's Bro (Bridge) in Haderslev Fjord in South East Jutland, Nakkebølle Fjord, South Funen and Jungshoved Nor (Cove), East Zealand. Later, "Gudsø Vig D1, Kolding Fjord" was added to the Roman Iron Age sites - see catalog in the publication list no. 40. The objects are discussed in a cultural-historical context, e.g. in relation to the weapons sacrifices, including Ejsbøl in Haderslev Fjord. The shallow fjords in the Danish area have been strategically vulnerable points in the landscape during the period when both military and civilian shipping increased in the 1st millennium AD. and apparently particularly vulnerable during the turbulent period of the Late Roman Iron Age and earliest part of Late Iron Age (c. 200-450 AD). The article is from the symposium “Military Aspects of the Aristocracy in Barbaricum in the Roman and Early Migration Periods” held at The National Museum, Cph. 10.-11. Dec. 1999, organized by Birger Storgaard and supported by the National Museum project "War, Defense and Aristocracy" under The Danish Research Council for Humanities. The archaeological work on Sea defense stems from the author's project “Sea defense in Denmark 200-1300 AD” (1993-1996) linked to Prof. Dr. Phil. Ole Crumlin-Petersen`s Center for Maritime Archeology, Roskilde.

Nørgård Jørgensen, A. 1991b: Kobbeågravpladsen, en yngre jernaldergravplads på Bornholm. Årbøger for Nordisk Oldkyndighed og Historie 1991. København 1992. (123-183)., 1991
Kobbeå, a Late Iron Age cemetery, Øster Herred, Bornholm, Denmark. It includes 33 graves from the... more Kobbeå, a Late Iron Age cemetery, Øster Herred, Bornholm, Denmark. It includes 33 graves from the Late Roman Iron Age, Early and Late Germanic Iron Age (Late Iron Age) and Early Viking Age. E. Vedel & J. A. Jørgensen excavated the Kobbeå cemetery in the 19th century. It holds burials for a family of several generations. Particularly noteworthy is Kobbeå grave 1 - one of the richest weapon graves in Denmark from the Late Iron Age. It belongs to a horizon of distinguished male graves with weapons and equestrian equipment dated to ca. 550-575 AD, which begins an era of weapon graves in the period up to the Viking Age - and occurs in parts of Scandinavia ie. Torgård at Trondheim in Norway, i.a. Vendel XIV, Central Sweden and Kylver grave 7 from Gotland. The material has relations to the Merovingian Empire and the weapon chronological systems on the Continent. The article is in Danish with German illustrations texts and German summary, and includes a catalog of graves and objects. Illustrations are, - were nothing else is mentioned - done by the author.

Nørgård Jørgensen, A. 1992a: Weapon sets in Gotlandic grave finds from 530-800 AD. A chronological Analysis. In Chronological Studies of Anglo-Saxon England, Lombard Italy and Vendel Period Sweden. Arkæologiske Skrifter 5. Ed. Lars Jørgensen. Copenhagen 1992. (5-34)., 1992
The Gotland weapon graves from the Vendel period 530-800 AD are treated here (1992) during Ph.D. ... more The Gotland weapon graves from the Vendel period 530-800 AD are treated here (1992) during Ph.D. preparation. The Ph.D. concerning Scandinavian weapon graves was defended in 1994 and finally published in a revised form in "Waffen und Gräber" (nr. 32) in 1999. In 1992, the author completed the initial primary collection of data at the Statens Historiska Museum in Stockholm and Gotlands Fornsal in Visby, Gotland. Initial seriation analyzes are performed and compared with Neman's phases from 1975. Horizontal stratigraphic analyzes in relation to female graves are analyzed at St. & Li. Ihre cemetery, Hellvi parish, Gotland. The material has relations to the weapon chronological systems (Merowingian Period) on the Continent and the initial analyzes of absolute chronology are discussed. The article is in English (J. Hines), as well as catalog of types. Illustrations are, with few exceptions, made by the author.

Nørgård Jørgensen, A. 1996a: Kriger og hird i germansk jernalder. Nationalmuseets Arbejdsmark 1996. København. (84-98)., 1996
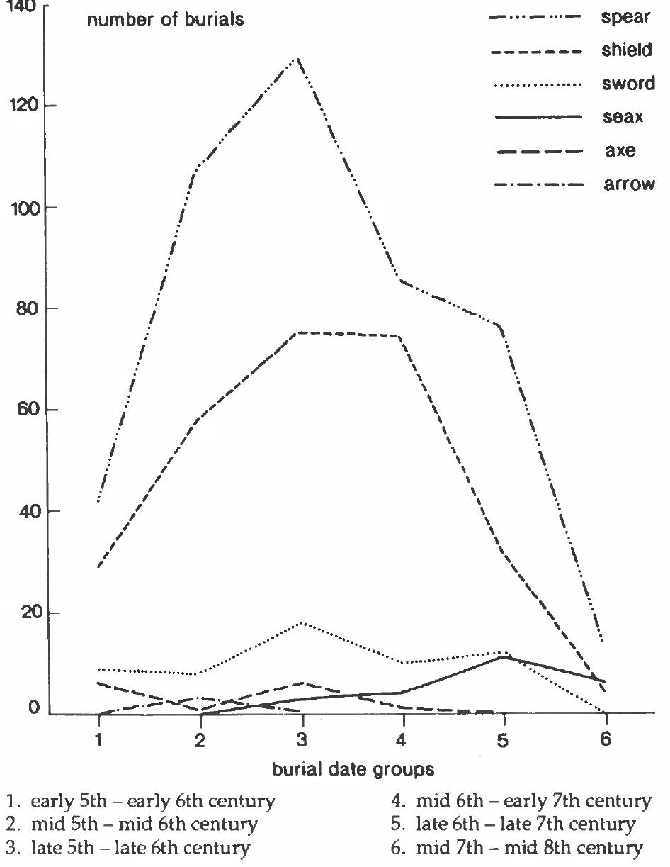
The article deals with the subject of the warrior and his armament in the period approx. 530-800 ... more The article deals with the subject of the warrior and his armament in the period approx. 530-800 AD in Denmark. Weapon graves in Europe are at this time relatively uniform, and so is the development of the equipment, which especially includes a single-edged sword, shields and lances with a time-typical design and decorative elements etc. In Denmark, only quite a few weapon graves have been preserved, e.g. due to the destruction of finds and monuments from the later part of the prehistory in the agricultural areas – today covering 65% of the country. Similar archaeological finds are usually only found in these areas using metal detectors. However, on the island of Bornholm, the graves have in some areas fortunately survived to this day, as is also the case on the Baltic islands Øland and Gotland. The Danish material in the article is compared with the rest of the Scandinavian region and the Continent. The article is a popular science summery of the Ph.D. 1994. Written in Danish with an English summery, Illustration Fig. 1a-d made by the author.

Nørgård Jørgensen, A. 1997c: Scandinavian Military Equipment and the Weapon-Burial Rite, AD 530 - 800. Foreign Influence and Regional Variation. In Burial and Society. The Chronological and Social Analysis of Archaeological Burial Data. Eds. C. K. Jensen & K. H. Nielsen. Århus 1997. (149-163)., 1997
The article deals with the deposit patterns of weapons in graves during the period 500-800 AD in ... more The article deals with the deposit patterns of weapons in graves during the period 500-800 AD in Scandinavia and in Frankish-Alemannic territory on the Continent. Prerequisite for the analysis is synchronized chronological systems between the areas in question (detailed and modern chronological systems). The analysis covers c. 3000 continental grave finds include age determination (11%). The analysis reveals remarkable common features in deposition patterns in time and space between Scandinavia and the Continent. Analogy study of the military elite and military system in the current areas points in the direction of a partially uniformity around military organization and obligations. This strengthens the assumption that there could be a common ideological background around what the historian Edward James describes as "The Militarized Society" in both Scandinavia and parts of the Continent (James 1997). This paper only covers extracts of the analysis. Read more about the regional analysis in Nr. 26 Nørre Sandegård Vest Cemetery 1997, p. 86-117 and No. 32 "Waffen und Gräber" 1999. The “Burial & Society” symposium at Moesgård Museum, Aarhus 7.-9. November 1994 was organized by Claus Kjeld Jensen and Karen Høilund Nielsen and was concluded by Prof. Dr. Heinrich Härke, England (Tübingen, Germany 2020). Translation John Hines.
Nørgård Jørgensen, A. 1998b: The Kanhave Canal on Samsø – new investigations. In Château Galliard XVIII. Études de castellologie médiévale. Actes Du Colloque International Tenu À Gilleleje (Danemark) 24-30 Août 1996. Université de Caen 1998. (153-158)., 1998
This paper is a presentation of the investigation of the Kanhave Canal 726-800 AD during the auth... more This paper is a presentation of the investigation of the Kanhave Canal 726-800 AD during the author’s research project: Sea defense in Denmark 200-1300 AD (originates from the Center for Maritime Archeology, Roskilde 1993-1996) - at the conference Château Galliard XVIII. Études de castellologie médiévale. Actes Du Colloque International Tenu À Gilleleje (Danemark) 24th to 30th of August 1996. Read more about the results of the Kanhave Canal excavation in nr. 16a/b, 35 & 40.
Nørgård Jørgensen, A. 1998a: Off-shore defence works in Denmark AD 200-1300. In Château Galliard XVIII. Études de castellologie médiévale. Actes Du Colloque International Tenu À Gilleleje (Danemark) 24-30 Août 1996. Université de Caen 1998. (149-152)., 1998
This paper is a short presentation of the author’s research project: Sea defense in Denmark 200-1... more This paper is a short presentation of the author’s research project: Sea defense in Denmark 200-1300 AD (connected to Center for Maritime Archeology, Roskilde 1993-1996) - at the conference Château Galliard XVIII. Études de castellologie médiévale. Actes Du Colloque International Tenu À Gilleleje (Danemark) 24th to 30th of August 1996. Read more about the results of the project in nr. 38, 40, 46a, 55.
Uploads
Books by Anne Nørgård Jørgensen
Papers by Anne Nørgård Jørgensen